Home › Unlabelled ›
Re Fuel System Schematics And Gauge Troubleshooting / Fuel gauge problems - Page 2 - Ford Truck Enthusiasts Forums : Видео fuel gauge troubleshooting 101 канала ron tanis.
Re Fuel System Schematics And Gauge Troubleshooting / Fuel gauge problems - Page 2 - Ford Truck Enthusiasts Forums : Видео fuel gauge troubleshooting 101 канала ron tanis.. A clogged fuel system can not only cause performance issues but may become a problem for the longevity of other expensive auto parts or the engine itself. Reduce the clamp force, rpm, or duty cycle. In service told to change instrument cluster. Well, a recal can't hurt if you're on a level surface. Is your fuel gauge inaccurate?
This video will help you troubleshoot your fuel gauge and sending unit, to verify if it is good or needs to be replaced. Is your fuel gauge inaccurate? Troubleshooting fuel gauges can be one of the most annoying and troublesome tasks on your vehicle's to do list. The first step is to determine. Видео fuel gauge troubleshooting 101 канала ron tanis.
OTC 6754 Diesel Fuel Pressure Gauge -- You can find more ... from i.pinimg.com A fuel gauge displays that fluctuates between empty and full may be due to a mechanical failure. Properties of fuel fuel is a substance consumed by the engine to produce energy. Well let us know how it goes. Hi, i am under a project (will be full opensource, hardware too with schematics) where i want to integrate to the raspberry pi computer module a display, fuel gauge. Analog fuel gauges use a heated bimetal strip to move the indicator needle on the fuel gauge. Some fuel gauges have an analog display while others have a digital or liquid crystal display. • fuel injection and fuel injection systems play a fundamental role in defining the engine combustion, fuel consumption, and emissions. Troubleshooting fuel pressure problems on a 2002 intrepid.
This is a common problem on older boats, but is easy to fix.
So, looks like the temp gauge is genuinely bad but that doesn't explain why the fuel gauge is not working. If this happens, reset your fuel gauge. There is a hot spark, and despite inserting fuel directly into the intake and trying starting fluid directly into the air intake i cannot get a single pop. Typically these gauges are expecting to measure a resistance between something like 90 ohms and 0 ohms (although the exact range may be different on different gauges). • evaporate the liquid fuel • mix the fuel vapor with oxygen to. At least you know the car and you have a pretty good grasp on how it works. I got gas and filled the car up, yet it still said 10 miles till empty. This video will help you troubleshoot your fuel gauge and sending unit, to verify if it is good or needs to be replaced. The diagram above shows a typical wiring schematic for aftermarket tachometers. I'm trying to get my head around how. I thought the power for the pumps ran through the switching valve, will the fuel pump still work with no valve in place? I found a gauge troubleshooting manual online and followed it and it suggests that my fuel sending unit is bad. Well let us know how it goes.
Troubleshooting fuel gauges can be one of the most annoying and troublesome tasks on your vehicle's to do list. Fuel system schematics (and fuel gauge troubleshooting). Typically these gauges are expecting to measure a resistance between something like 90 ohms and 0 ohms (although the exact range may be different on different gauges). I found a gauge troubleshooting manual online and followed it and it suggests that my fuel sending unit is bad. Troubleshooting fuel pressure problems on a 2002 intrepid.
Wiring Diagram for Fuel Gauge? - Toyota Nation Forum ... from www.toyotanation.com The filtering element consists of metal gauge in conjunction with various media such as packed fibres fuel filter for diesel engine. Is it no longer working at all? These gauges work by measuring a variable resistance controlled by the fuel level sender. Isolating fuel system related problems, whether it be a bad fuel pump or a clogged fuel filter, is not a terribly difficult task with the right tools and the correct steps. Hi, i am under a project (will be full opensource, hardware too with schematics) where i want to integrate to the raspberry pi computer module a display, fuel gauge. At least you know the car and you have a pretty good grasp on how it works. And others peripherals, to create a retropie console. Use of this section may require a digital voltmeter, test light, fuel pressure gauge, timing light, tachometer and/or a.
Ahh, so you're one of those.
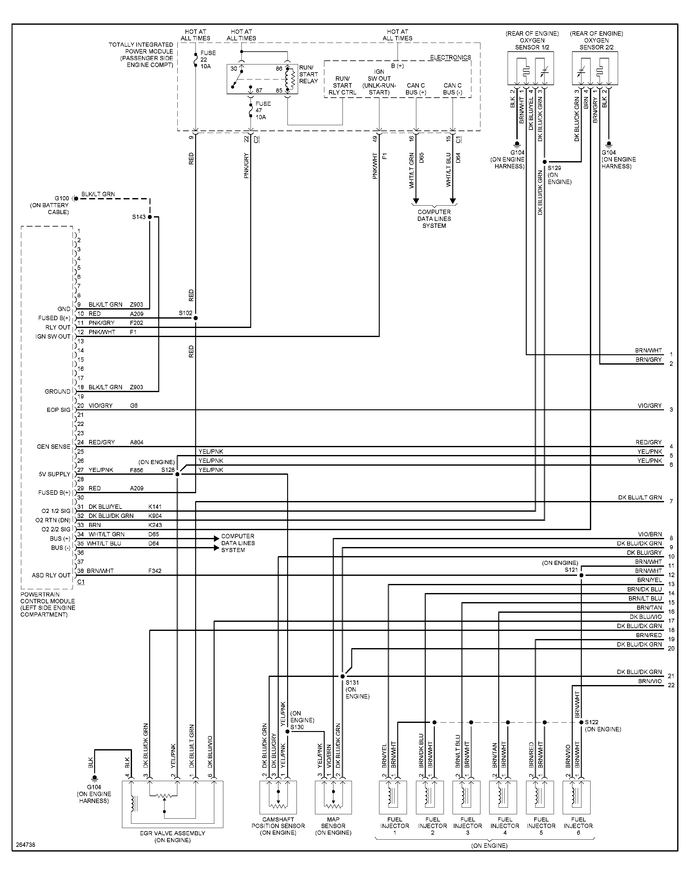
Fuel system schematics (and fuel gauge troubleshooting). If the gauge is good, the next step is to check the other system components, as either the wire running to the sender or the sender itself must be faulty. The schematic below is shown here at a reduced resolution. • evaporate the liquid fuel • mix the fuel vapor with oxygen to. I found a gauge troubleshooting manual online and followed it and it suggests that my fuel sending unit is bad. Reduce the clamp force, rpm, or duty cycle. Ignition system there are four different systems of igniting fuel: Each make and model of car has its own specific instructions many toyota highlander models are equipped with maintenance reminder systems that alert the driver. I even took out the spark plug and sprayed starting fluid directly into the cylinder. I'm trying to get my head around how. Troubleshooting fuel pressure problems on a 2002 intrepid. I thought the power for the pumps ran through the switching valve, will the fuel pump still work with no valve in place? There are air bubbles in the oil.
Always check to insure that you have the proper fuel pressure. Reduce the clamp force, rpm, or duty cycle. I even took out the spark plug and sprayed starting fluid directly into the cylinder. The amount of current flowing through the gauge heats up a short in the sending unit or wiring on a gm system would cause the fuel gauge to read empty, therefore, while an open in the sending unit circuit. The first step is to determine.
Wiring Diagram for Fuel Gauge? - Toyota Nation Forum ... from i.imgur.com Fuel system schematics (and fuel gauge troubleshooting). In service told to change instrument cluster. If this happens, reset your fuel gauge. These gauges work by measuring a variable resistance controlled by the fuel level sender. I got gas and filled the car up, yet it still said 10 miles till empty. 6.5l gm fuel system troubleshooting guide. Well let us know how it goes. Properties of fuel fuel is a substance consumed by the engine to produce energy.
I'm trying to get my head around how.
Troubleshooting your tbi fuel injection system. If this happens, reset your fuel gauge. My fuel gauge has always been perfect. I'm trying to get my head around how. At least you know the car and you have a pretty good grasp on how it works. The filtering element consists of metal gauge in conjunction with various media such as packed fibres fuel filter for diesel engine. Well let us know how it goes. I got gas and filled the car up, yet it still said 10 miles till empty. Basically what i am trying to do is a dual tank to single tank conversion. In service told to change instrument cluster. Troubleshooting fuel gauges can be one of the most annoying and troublesome tasks on your vehicle's to do list. Remove the gauge, install the snubber set screw, install new gauge. Actually i have working the pcm and display, but i am having problems with the.